Product Item: Pelco hot sale spectra 3
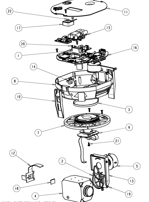
Pelco SPECTRA III PRE LD53PR 1 Oprema hot sale, Pelco BB53HD PG E Spectra III Pendant Mount Back Box Gray NEMA 4X IP66 hot sale, Pelco Spectra III DD5BC Color PTZ Dome Security Camera 60 HZ 17 Watt 24AC eBay hot sale, Pelco SD5318 PG E0 Spectra III Dome System SD5318PGE0 B H Photo hot sale, NEW PELCO LD53PB 1 LDHQPB 1 SPECTRA IV III PENDANT CLEAR LOWER DOME 239 hot sale, Pelco Spectra III SE DD53CBW Dome Drive Security Camera Black hot sale, Pelco Spectra III DD5BC Color PTZ Dome Security Camera 60 HZ 17 Watt 24AC hot sale, Pelco LD53HDCPB 0 Heavy Duty Spectra III Lower Dome with hot sale, Pelco Spectra III Dome hot sale, 3 x PELCO Spectra III External PTZ Dome Cameras used Location hot sale, Pelco Spectra III DD53C22 SE Series CCD Integrated Dome hot sale, How to remove Doorassy of Spectra III and Spectra IV hot sale, Pelco SD530 PG E1 740 TVL Day Night Pendant Outdoor Spectra hot sale, DD53KIT Pelco Spectra 3 Fan Power Supply Repair Kit Worldeyecam hot sale, Pelco LD53PR 0 Spectra III TM Pressurized Lower Dome Pendant hot sale, Pelco Spectra 3 dead Security Cameras CCTVForum hot sale, Pelco P2230L EW1 Spectra Pro Series 2 2MP 30X Environmental hot sale, Pelco Spectra III SE PTZ camera with MPT9500 PTZ controller Home CCTV system hot sale, Spectra III part numbers hot sale, Pelco LD53PR 1 Spectra III Pres Lower Dome Clear for sale online hot sale, Protocol and Address setting of Spectra Series for interfacing hot sale, Pelco 1 3 CMOS 2MP 1920 x 1080 20x Optical Zoom 50dB 2.79kg hot sale, Where do I land the Video Cable on a Spectra PTZ Camera hot sale, Pelco Spectra III or Spectra IV PTZ camera Repair evaluation only 2.00 hot sale, Need Help On a Pelco Spectra III Camera Security Cameras hot sale, Pelco DD4CBW23 X Spectra IV Day Night High Speed Dome Camera hot sale, What is the part number for a Spectra III or SPECTRA IV IBBR hot sale, Dip switch settings for D and P protocol on the Spectra II III hot sale, Pelco Spectra Iii 2024 vinnievincent hot sale, Spectra III assembly breakdown hot sale, Pelco Spectra Pro P1220 camera may lock up PTZ control when the hot sale, Pelco SD4E23 PG 0 X IP Dome camera Specifications Pelco IP Dome hot sale, Spectra III IV pressurized back box wiring information per hot sale, Where do I land the Video Cable on a Spectra PTZ Camera hot sale, PELCO SPECTRA MINI DD4 X MINI DOME DRIVE CAMERA hot sale.
Pelco hot sale spectra 3